ZEN Machinery durable NDX End Suction Pump are designed according to BS EN733/DIN24255. This series of pumps has great advantages in the form of interchangeable parts, high quality and low cost, wide application in factories, mines, urban water supply, fire extinguishing systems, air conditioning and irrigation systems.
Series A DIN24255 / EN 733 Standard end centrifugal pump
• Water supply and sewerage
• Heat, air conditioning and cooling tower
• Ship's ballast and bottom
• Superchargers and Superchargers
• Irrigation and agriculture
• Water supply and sewerage
• Food chemistry (using stainless steel materials)
AD Series DIN24255 / EN 733 Standard End Pumps and Motors
• Water supply and sewerage
• Heat, air conditioning and cooling tower
• Fire and fire safety
• Ship's ballast and bottom
• Superchargers and Superchargers
• Research and Agriculture
• Water supply and sewerage
• Food chemistry (using stainless steel materials)
| Recycling Size | DN32~300mm | Flow Speed | 4~1584m³/h |
| Head | 2~150m | ||
| Average temperature: -10~85℃(standard) 85~105°℃(special request) | |||
|
Working pressure: ≤1.0MPa (standard) ≤1.6MPa (special request) |
|||
ZEN Machinery high quality NDX End Suction Pump range is designed to BS EN733/DIN24255. This series of pumps have the advantages of component exchange, high quality, low cost, widely used in factories, mines, municipal water supply, fire fighting, air conditioning, irrigation and other fields.
Q: Cast Iron
Q: Ballpoint cast iron
A: brass
S: ASTM 420
45: 1045 m.
S304: ASTM 304
S316: ASTM 316
H: Double row bearing
G: Large axles and bearings
Default: Standard
M: Mechanical seal
P: Pressure filler
| Design | Characteristics and dimensions comply with European standard BSEN733/DIN24255 |
| Composition | Horizontal, axial end suction, single stage, end suction, volute body, rear outlet |
| DN(mm) | 32~300 |
| Flange | DIN2501 PN16 GB/T17241.6 PN1.6 |
| Part | Standard Material | Options on request |
| Frame | Cast iron | Malleable Iron/ASTM304/ASTM316 |
| Impeller | Brass | Cast iron/ASTM304/ASTM316 |
| Shaft | ASTM420 | ASTM304/ASTM316/ASTM1045 |
| Shaft Seal | Mechanical Print | Gland Packing |
| Flow Speed(Q) | 4~1584 m³/h |
| Head(H) | 2~150 m |
| Speed | 1450 or 2900 rpm(50Hz)/1750 or 3500 rpm (60Hz) |
| Maximum temperature | 85℃(standard); 105℃(on request) |
| Working pressure | 1.0 MPa standard; 1.6 MPa on request |
| Transport medium | Pure water or liquids similar to pure water in physical properties. |
| The code | Designation |
| 1 | Frame |
| 2 | Impeller nut |
| 2.1 | Lock washer |
| 3 | Wear Ring |
| 3.1 | Wearing Ring |
| 4 | Impeller |
| 5 | Housing Cover |
| 6 | Shaft spacer |
| 7 | Mechanical Seal |
| 8 | Sealing Cap |
| 8.1 | O-ring |
| 9 | Rubber Slinger |
| 10 | Bearing Frame |
| The code | Designation |
| 11 | Shaft |
| 12 | Carrier |
| 13 | Bearing cap |
| 14 | Support leg |
| 14.1 | Flat washer |
| 15 | Packaging sleeve |
| 16 | Packing seal cage |
| Neck sleeve | |
| 17 | Gland packing |
| 18 | Oil seal cover |
| 19 | Housing gasket |
| 20 | Pin |
| 21 | Pin |
| The code | Designation |
| 22 | Pin |
| 23 | Key |
| 24 | Key |
| 25 | Screw Bolt |
| 26 | Cup of butter |
| 27 | Felt myself |
| Oil seal | |
| 28 | Pin |
| 29 | Plug |
| 30 | Plug |
| 31 | Oil scale |
| 32 | Oil cap |
| 33 | Neck gasket |


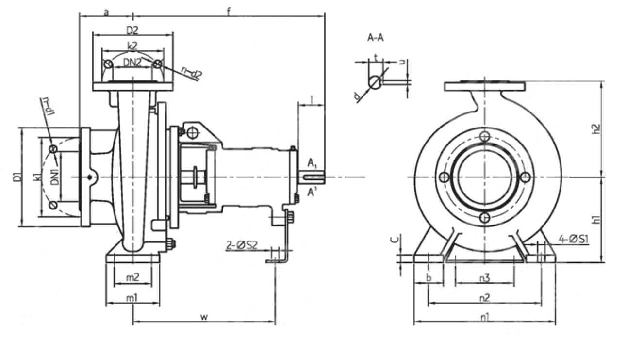
(ISO7005.2 DIN2501 PN16 GB/T17241.6 PN1.6)
| DN1/DN2 | 32 | 40 | 50 | 65 | 80 | 100 |
| D1/D2 | 140 | 150 | 165 | 185 | 200 | 220 |
| K1/K2 | 100 | 110 | 125 | 145 | 160 | 180 |
| n-d1/n-d2 | 4-f18 | 4-f18 | 4-f18 | 4-f18 | 8-f18 | 8-f18 |
| DN1/DN2 | 125 | 150 | 200 | 250 | 300 | 350 |
| D1/D2 | 250 | 285 | 340 | 405 | 460 | 520 |
| K1/K2 | 210 | 240 | 295 | 355 | 410 | 470 |
| n-d1/n-d2 | 8-f18 | 8-f22 | 12-φ22 | 12-f26 | 12-f26 | 16-φ26 |
| Model | Bearing inner diameter | DN2 | DN1 | a | f | h1 | h2 | b | C | n3 | m1 | m2 | n1 | n2 | S1 | S2 | W | d | I | t | U | Mass(kg) |
| A32/13 | 25 | 32 | 50 | 80 | 360 | 112 | 140 | 50 | 14 | 100 | 100 | 70 | 190 | 140 | 14 | 14 | 267 | 24 | 50 | 27 | 8 | 29 |
| A32/16 | 132 | 160 | 240 | 190 | 35 | |||||||||||||||||
| A32/20 | 160 | 180 | 110 | 47 | ||||||||||||||||||
| A32/26 | 100 | 180 | 225 | 65 | 125 | 95 | 320 | 250 | 58 | |||||||||||||
| A40/13 | 40 | 65 | 80 | 112 | 140 | 50 | 100 | 100 | 70 | 210 | 160 | 31 | ||||||||||
| A40/16 | 132 | 160 | 240 | 190 | 34 | |||||||||||||||||
| A40/20 | 100 | 160 | 180 | 110 | 265 | 212 | 45 | |||||||||||||||
| A40/26(H) | 180 | 225 | 65 | 125 | 95 | 320 | 250 | 61 | ||||||||||||||
| A40/32 | 35 | 125 | 470 | 200 | 250 | 345 | 280 | 342 | 32 | 80 | 35 | 10 | 94 | |||||||||
| A40/32(H) | 200 | 250 | 107 | |||||||||||||||||||
| A40/32G | 45 | 526 | 200 | 250 | 367 | 42 | 110 | 45 | 12 | 105 | ||||||||||||
| A50/13 | 25 | 50 | 100 | 360 | 132 | 160 | 50 | 100 | 100 | 70 | 240 | 190 | 267 | 24 | 50 | 27 | 8 | 35 | ||||
| A50/16 | 160 | 180 | 110 | 265 | 212 | 39 | ||||||||||||||||
| A50/20 | 160 | 200 | 49 | |||||||||||||||||||
| A50/26(H) | 180 | 225 | 65 | 125 | 95 | 320 | 250 | 68 | ||||||||||||||
| A50/26G | 35 | 470 | 344 | 32 | 80 | 35 | 10 | 65 | ||||||||||||||
| A50/32(H) | 125 | 225 | 280 | 18 | 345 | 280 | 342 | 113 | ||||||||||||||
| A50/32G | 45 | 50 | 65 | 125 | 526 | 225 | 280 | 65 | 18 | 125 | 95 | 345 | 280 | 367 | 42 | 110 | 45 | 12 | 105 | |||
| A65/13 | 25 | 65 | 80 | 100 | 360 | 160 | 180 | 14 | 125 | 95 | 280 | 212 | 267 | 24 | 50 | 27 | 8 | 41 | ||||
| A65/16 | 160 | 200 | 47 | |||||||||||||||||||
| A65/20(H) | 180 | 225 | 320 | 250 | 55 | |||||||||||||||||
| A65/20G | 35 | 465 | 339 | 32 | 80 | 35 | 10 | 60 | ||||||||||||||
| A65/26 | 470 | 200 | 250 | 80 | 15 | 160 | 120 | 360 | 280 | 18 | 342 | 87 | ||||||||||
| A65/32(H) | 125 | 225 | 280 | 18 | 400 | 315 | 110 | |||||||||||||||
| A65/32G | 45 | 525 | 225 | 280 | 18 | 367 | 42 | 110 | 45 | 12 | 120 | |||||||||||
| A80/16 | 25 | 80 | 100 | 360 | 180 | 225 | 65 | 14 | 125 | 95 | 320 | 250 | 14 | 267 | 24 | 50 | 27 | 8 | 53 | |||
| A80/20 | 35 | 470 | 180 | 250 | 15 | 345 | 280 | 342 | 32 | 80 | 35 | 10 | 76 | |||||||||
| A80/26 | 200 | 280 | 80 | 160 | 120 | 400 | 315 | 18 | 95 | |||||||||||||
| A80/32(H) | 250 | 315 | 16 | 118 | ||||||||||||||||||
| A80/32G | 45 | 526 | 16 | 367 | 42 | 110 | 45 | 12 | 130 | |||||||||||||
| A80/40 | 530 | 280 | 355 | 83 | 18 | 440 | 340 | 370 | 160 | |||||||||||||
| A100/16 | 35 | 100 | 125 | 470 | 200 | 250 | 80 | 15 | 360 | 280 | 342 | 32 | 80 | 35 | 10 | 87 | ||||||
| A100/20 | 35 | 280 | 80 | 16 | 84 | |||||||||||||||||
| A100/26(H) | 140 | 225 | 280 | 400 | 315 | 102 | ||||||||||||||||
| A100/32 | 250 | 315 | 118 | |||||||||||||||||||
| A100/40 | 45 | 530 | 280 | 355 | 100 | 20 | 200 | 150 | 500 | 400 | 23 | 370 | 42 | 110 | 45 | 12 | 176 | |||||
| A125/20 | 35 | 125 | 150 | 470 | 250 | 315 | 80 | 16 | 160 | 120 | 400 | 315 | 18 | 342 | 32 | 80 | 35 | 10 | 112 | |||
| A125/26 | 250 | 355 | 117 | |||||||||||||||||||
| A125/32 | 45 | 530 | 280 | 355 | 100 | 18 | 200 | 150 | 500 | 400 | 23 | 370 | 42 | 110 | 45 | 12 | 155 | |||||
| A125/40 | 160 | 315 | 400 | 178 | ||||||||||||||||||
| FA125/50 | 55 | 670 | 355 | 450 | 25 | 550 | 450 | 500 | 48 | 110 | 51 | 14 | 300 | |||||||||
| A150/20 | 35 | 150 | 200 | 500 | 280 | 400 | 18 | 400 | 315 | 342 | 32 | 80 | 35 | 10 | 132 | |||||||
| A150/26 | 45 | 530 | 250 | 355 | 450 | 350 | 370 | 42 | 110 | 45 | 12 | 163 | ||||||||||
| A150/32 | 280 | 400 | 550 | 450 | 170 | |||||||||||||||||
| A150/40 | 315 | 450 | 207 | |||||||||||||||||||
| A150/50 | 55 | 180 | 670 | 375 | 500 | 22 | 500 | 48 | 51 | 14 | 330 | |||||||||||
| A200/26 | 45 | 200 | 250 | 555 | 315 | 450 | 20 | 28 | 392 | 42 | 45 | 12 | 219 | |||||||||
| A200/32 | 55 | 670 | 315 | 480 | 120 | 220 | 170 | 600 | 480 | 505 | 48 | 51 | 14 | 286 | ||||||||
| A200/40 | 335 | 480 | 250 | 328 | ||||||||||||||||||
| A200/50 | 65 | 200 | 250 | 200 | 720 | 425 | 560 | 100 | 22 | 140 | 200 | 150 | 660 | 560 | 23 | 19 | 515 | 60 | 140 | 64 | 18 | 450 |
| A250/32 | 55 | 250 | 300 | 220 | 691 | 355 | 520 | 150 | 26 | 110 | 250 | 200 | 660 | 510 | 28 | 14 | 525 | 48 | 110 | 51 | 14 | 366 |
| A250/40 | 682 | 400 | 560 | 516 | 396 | |||||||||||||||||
| A250/50 | 65 | 250 | 300 | 250 | 720 | 450 | 670 | 120 | 32 | 140 | 240 | 190 | 750 | 650 | 23 | 19 | 515 | 60 | 140 | 64 | 18 | 550 |
| A300/40 | 65 | 300 | 350 | 300 | 720 | 425 | 120 | 30 | 250 | 190 | 760 | 660 | 30 | 19 | 515 | 60 | 140 | 64 | 18 | 550 |