CGW Pipe Sewage Pump
  • CGW Pipe Sewage Pump CGW Pipe Sewage Pump

CGW Pipe Sewage Pump

CGW Pipe Sewage Pump can operate continuously for extended periods. Therefore, they contribute to the stable operation of equipment at pumping stations and water treatment plants, while also helping to significantly reduce maintenance costs. These pumps are widely used in many water treatment facilities, pumping stations, flood control structures, and water parks.

Send Inquiry

Product Description

CGW Pipe Sewage Pump

product range

80 CGW 2 75
Output size Pump type Pillar Power
Outlet Size (mm) Pump Type Pole (KW)


range characteristic

Power 1.5-7.5 kW
Electrode/Poles 2
Caliber/Discharge DN50-80
Max. flow rate/Max flow rate 150m³/h
Max head 47 m


Applications


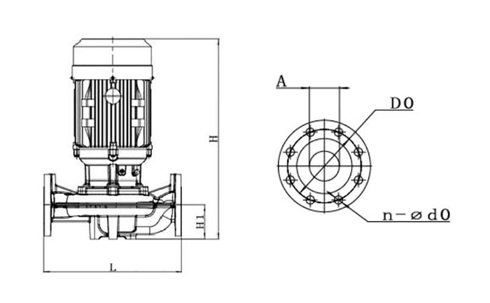
Size

Model
Type
Caliber
A
(mm)
L
(mm)
H
(mm)
H1
(mm)
D0
(mm)
n-d0
(mm)
50-CGW2-1.5 50 350 523 100 118 8-f18
50-CGW2-2.2 50 350 523 100 118 8-f18
80-CGW2-1.5 80 360 523 100 118 8-f18
80-CGW2-2.2 80 360 523 100 118 8-f18
80-CGW2-3.7 80 360 537 110 160 8-f18
80-CGW2-5.5 80 450 652 110 160 8-f18
80-CGW2-7.5 80 450 652 110 160 8-f18


Parameters of CGW series sewer pipe pumps

Model
Type
Voltage
Voltage (v)
Power Caliber/0utlet Skip particle size
(mm)
Limited data
Q.rated
(m³/h)
Nominal lift
H.rated
(m)
MAX. FLOW
Q.max
(m³/h)
Maximum lift
H.max
(m)
Weight
G.W
(kg)
Parcel size
(cm)
(KW) (HP) (inches) (mm)
50CGW2-1.5 3Ph/380V 1.5 2 2” 50 20 25 12 34 20 36.2 54*36*28
50CGW2-2.2 3Ph/380V 2.2 3 2” 50 20 25 17 39 24 38.5 54*36*28
80CGW2-3.7 3Ph/380V 3.7 5 3” 80 20 36 20 80 27 55 55*39*26
80CGW2-5.5 3Ph/380V 5.5 7.5 3” 80 20 36 28 74 36 87 67*47*36
80CGW2-7.5 3Ph/380V 7.5 10 3” 80 20 36 34 102 41 90 67*47*36





Hot Tags: CGW Pipe Sewage Pump, China, Manufacturer, Supplier, Factory, Customized, Quality, Latest Sales, In Stock, Brands, CE, Taizhou
X
We use cookies to offer you a better browsing experience, analyze site traffic and personalize content. By using this site, you agree to our use of cookies. Privacy Policy
Reject Accept