HWC Grinding Machine Pipeline Sewage Pump
  • HWC Grinding Machine Pipeline Sewage Pump HWC Grinding Machine Pipeline Sewage Pump

HWC Grinding Machine Pipeline Sewage Pump

HWC Grinding Machine Pipeline Sewage Pump is a horizontal sewage cutter pump with a spiral impeller. It can operate continuously for extended periods. This contributes to the stable operation of equipment at pumping stations and water treatment plants, while also helping to significantly reduce maintenance costs. These pumps are widely used in numerous water treatment facilities, pumping stations, flood control structures, and water parks.

Send Inquiry

Product Description

HWC Grinding Machine Pipeline Sewage Pump

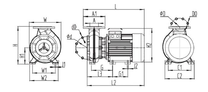
product range

80 HWC 2 11
Output size
Outlet Size
(mm)
Pump type
Pump Type Two pole motor

Two pole motor

Two pole motor

Power
Power
(KW)


range characteristic

Power 1.5-15 kw
Poles/Poles 2
Caliber/Discharge DN50-100
MAX. FLOW/Max flow rate 161 m³/h
MAX. PRESSURE/Max head 42 m


Size

Type
L (mm) L2 (mm) L3 (mm) H (mm) H1 (mm) H2 (mm) W (mm) W1 (mm) W2 (mm) J1 (mm) C1 (mm) C2 (mm) J2 (mm) G (mm) G1 (mm) A1 (mm) A (mm) d (mm) D (mm) D0 (mm)
50HWC2-1.5kw 430 426 183 220 90 224.5 181 - - - 140 184 4-f10 - 125 140 50 f160 f110 4-f14
50HWC2-2.2kw 466 433 190 285 120 224.5 228 160 210 15 140 184 4-f10 175 125 165 50 f160 f110 4-f14
50HWC2-3.7kw 521 488 202 281 112 289 235 180 230 15 190 220 4-f12 187 140 165 50 f160 f110 4-f14
80HWC2-7.5kw 562 530 237.5 352 152 345 292 212 263 12 216 270 4-f12 140 198 200 80 f210 f160 8-f18
80HWC2-9.2kw 738 703 481 415.5 180 390 334 254 318 17 254 315 2-f17 443.5 - 200 80 f210 f160 8-f18
80HWC2-11kw 738 703 481 415.5 180 390 334 254 318 17 254 315 2-f17 443.5 - 200 80 f210 f160 8-f18
80HWC2-15kw 738 703 481 415.5 180 390 334 254 318 17 254 315 2-f17 443.5 - 200 80 f210 f160 8-f18
100HWC2-11kw
100HWC2-15kw


Parameter Table of GNISW Series Horizontal Sewage Cutting Pumps

Type
Type
Voltage
Voltage (V)
Power Outlet Rating stream
Q.rated
(m³/h)
Rating. Flow
H.rated
(m)
MAX. FLOW
Q.max
(m³/h)
MAX. EFFORT
H.max
(m)
Parcel size
(cm)
(KW) (HP) (mm)
50HWC2-1.5 380V 1.5 2 50 12 15 29 18 49*26*23
50HWC2-2.2 380V 2.2 3 50 10 20 32 27 49*26*23
80HWC2-3.7 380V 3.7 5.5 50 45 17 78 27 55*33*26
80HWC2-7.5 380V 7.5 10 80 40 25 98 32 62*39*31
80HWC2-9.2 380V 9.2 12.5 80 20 40 50 46 77*45*36
80HWC2-11 380V 11 15 80 15 50 55 55 80*45*36
80HWC2-15 380V 15 20 80 20 55 60 61 80*45*36
100HWC2-11 380V 11 15 100 80 25 160 39
100HWC2-15 380V 15 20 100 80 30 161 42




Hot Tags: HWC Grinding Machine Pipeline Sewage Pump, China, Manufacturer, Supplier, Factory, Customized, Quality, Latest Sales, In Stock, Brands, CE, Taizhou
X
We use cookies to offer you a better browsing experience, analyze site traffic and personalize content. By using this site, you agree to our use of cookies. Privacy Policy
Reject Accept