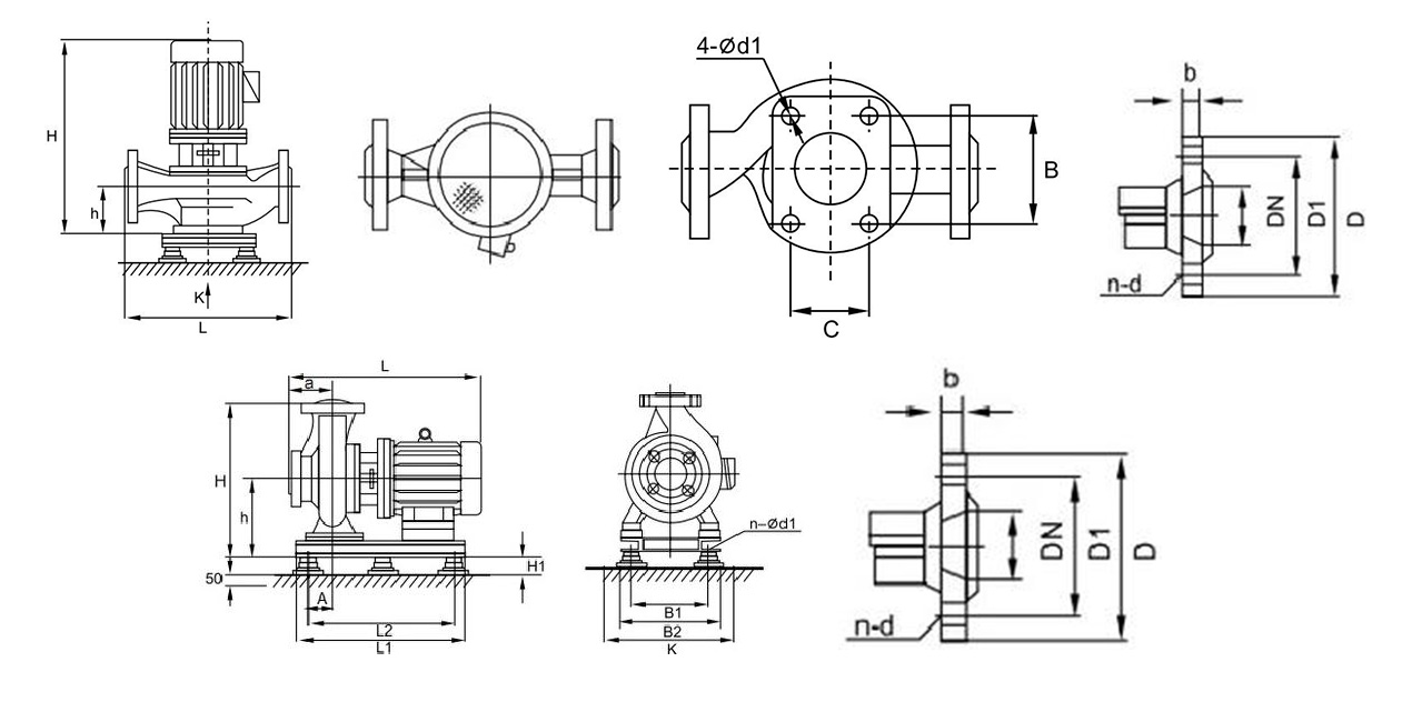
IRG ISW ISWB pipeline pump is a vertical centrifugal pump. It is suitable for pumping clean water without abrasive particles, and fluids that are chemically non-corrosive to the materials of the pump. This series can be used for supplying and transporting water in cooling, heating, circulation, and air conditioning systems, as well as for firefighting and industrial applications. The pumps should be installed indoors or at least in a weather-protected location.
1. The maximum pressure of the pumping system is 1.6 MPa, i.e. The pressure at the pump input + pressure of the pump is 1.6 MPa. (When ordering, please indicate the operating pressure of the system, the working pressure of the pump system is more than 1.6 MPa, when ordering should be presented separately. The flowing and connecting parts of the pump during manufacture are made of cast iron.)
2. The applicable environment: a solid insoluble substance with a volume content of not more than 0.1% per unit volume and particle size of not more than 0.2 mm (the medium with small particles should be wear -resistant mechanical tightness, indicate when ordering).
3. The ambient temperature does not exceed 40 ° C, the relative temperature does not exceed 95 ° C, the height above sea level does not exceed 1000m.
IT'S BEHINT 50 - 160 - 3
① IRG: vertical pipeline pump
② 50: Caliber (mm)
③ 160: diameter of Iring (mm)
④ 3: Power (KW)
| Type | Stream Q |
effort m |
Efficiency (%) |
Synchronization Rotation speed r/min |
Electric motor Power KW |
Mandatory supply of cavitation (m) |
Installation of a vertical record | The size of the horizontal pump | The size of the flange | Vibration isolation | H1 | |||||||||||||
| m³/h | L/S | H | L | h | B | C | H | h | a | L1 | L | L2 | B1 | D | D1 | n-d | Specification | |||||||
| 25-125 |
2.8 4 5.2 |
0.78 1.11 1.44 |
20.6 20 18 |
28 36 35 |
2900 | 0.75 | 2.3 | 430 | 275 | 70 | 80 | 50 | 320 | 180 | 90 | 405 | 445 | 210 | 260 | Φ115 | Φ85 | 4-F16 | SD41-0.5 | 20 |
| 25-125A |
2.5 3.6 4.6 |
0.69 1.0 1.28 |
17 16 14.4 |
27 35 34 |
2900 | 0.75 | 2.3 | 430 | 275 | 70 | 80 | 50 | 320 | 180 | 90 | 405 | 445 | 210 | 260 | Φ115 | Φ85 | 4-F16 | SD41-0.5 | 20 |
| 25-160 |
2.8 4 5.2 |
0.78 1.11 1.44 |
33 32 30 |
24 32 33 |
2900 | 1.5 | 2.3 | 455 | 320 | 75 | 100 | 60 | 320 | 180 | 90 | 440 | 470 | 250 | 300 | Φ115 | Φ85 | 4-F16 | SD41-0.5 | 20 |
| 25-160A |
2.6 3.7 4.9 |
0.72 1.03 1.36 |
29 28 26 |
22 31 32 |
2900 | 1.1 | 2.3 | 440 | 320 | 75 | 100 | 60 | 320 | 180 | 90 | 440 | 455 | 250 | 300 | Φ115 | Φ85 | 4-F16 | SD41-0.5 | 20 |
| 32-125 |
3.5 5 6.5 |
0.97 1.39 1.8 |
22 20 18 |
40 44 42 |
2900 | 0.75 | 2.3 | 445 | 270 | 75 | 100 | 60 | 320 | 180 | 90 | 440 | 455 | 250 | 310 | Φ140 | Φ100 | 4-F16 | SD41-0.5 | 20 |
| 32-125A |
3.1 4.5 5.8 |
0.86 1.25 1.61 |
17.6 16 14.4 |
38 42 40 |
2900 | 0.75 | 2.3 | 445 | 270 | 75 | 100 | 60 | 320 | 180 | 90 | 440 | 455 | 250 | 310 | Φ140 | Φ100 | 4-F16 | SD41-0.5 | 20 |
| Type | Stream Q |
effort m |
Efficiency (%) |
Synchronization Rotation speed r/min |
Electric motor Power KW |
Mandatory supply of cavitation (m) |
Installation of a vertical record | The size of the horizontal pump | The size of the flange | Vibration isolation | H1 | |||||||||||||
| m³/h | L/S | H | L | h | B | C | H | h | a | L1 | L | L2 | B1 | D | D1 | n-d | Specification | |||||||
| 40-100 |
4.4 6.3 8.3 |
1.22 1.75 2.31 |
13.2 12.5 11.3 |
48 54 53 |
2900 | 0.75 | 2.3 | 410 | 270 | 85 | 120 | 70 | 260 | 145 | 95 | 405 | 460 | 260 | 125 | Φ150 | Φ110 | 4-F18 | SD41-0.5 | 20 |
| 40-100A |
3.9 5.6 7.4 |
1.08 1.56 2.06 |
10.6 10 9 |
45 52 50 |
2900 | 0.75 | 2.3 | 410 | 270 | 85 | 120 | 70 | 260 | 145 | 95 | 405 | 460 | 260 | 125 | Φ150 | Φ110 | 4-F18 | SD41-0.5 | 20 |
| 40-125 |
4.4 6.3 8.3 |
1.22 1.75 2.31 |
21 20 18 |
41 46 43 |
2900 | 1.1 | 2.3 | 410 | 285 | 85 | 120 | 70 | 305 | 165 | 80 | 405 | 445 | 210 | 260 | Φ150 | Φ110 | 4-F18 | SD41-0.5 | 20 |
| 40-125A |
3.9 5.6 7.4 |
1.08 1.56 2.06 |
17.6 16 14.4 |
40 45 41 |
2900 | 0.75 | 2.3 | 410 | 285 | 85 | 120 | 70 | 305 | 165 | 80 | 405 | 445 | 210 | 260 | Φ150 | Φ110 | 4-F18 | SD41-0.5 | 20 |
| 40-160 |
4.4 6.3 8.3 |
1.22 1.75 2.31 |
33 32 30 |
35 40 40 |
2900 | 2.2 | 2.3 | 445 | 325 | 80 | 120 | 70 | 375 | 210 | 85 | 455 | 489 | 250 | 310 | Φ150 | Φ110 | 4-F18 | SD41-0.5 | 20 |
| 40-160A |
4.1 5.9 7.8 |
1.44 1.64 2.17 |
29 28 26.3 |
34 39 39 |
2900 | 1.5 | 2.3 | 420 | 325 | 80 | 120 | 70 | 375 | 210 | 85 | 455 | 465 | 250 | 310 | Φ150 | Φ110 | 4-F18 | SD41-0.5 | 20 |
| 40-160B |
3.8 5.5 7.2 |
1.06 1.53 2.0 |
25.5 24 225 |
34 38 37 |
2900 | 1.1 | 2.3 | 405 | 325 | 80 | 120 | 70 | 370 | 205 | 85 | 455 | 450 | 210 | 260 | Φ150 | Φ110 | 4-F18 | SD41-0.5 | 20 |
| Type | Stream Q |
effort m |
Efficiency (% ) |
Synchronization Rotation speed r/min |
Electric motor Power KW |
Mandatory cavitation Remainder (m) |
Installation of vertical pumps | The size of the horizontal pump | The size of the flange | Vibration isolation | H1 | |||||||||||||||
| m³/h | L/S | H | L | h | B | C | H | h | a | L1 | L | L2 | B1 | D | D1 | n-d | Specification | |||||||||
| 40-200 |
4.4 6.3 8.3 |
1.22 1.75 2.31 |
51 50 48 |
26 33 32 |
2900 | 4 | 2.3 | 525 | 345 | 70 | 130 | 80 | 405 | 230 | 85 | 490 | 560 | 300 | 350 | Φ150 | Φ110 | 4-F18 | SD41-0.5 | 20 | ||
| 40-200A |
4.1 5.9 7.8 |
1.14 1.64 2.17 |
45 44 42 |
26 31 30 |
2900 | 3 | 2.3 | 495 | 345 | 70 | 130 | 80 | 405 | 230 | 85 | 490 | 530 | 300 | 350 | Φ150 | Φ110 | 4-F18 | SD41-0.5 | 20 | ||
| 40-200b |
3.7 5.3 7.0 |
1.08 1.47 1.94 |
38 36 34.5 |
23 29 24 |
2900 | 2.2 | 2.3 | 470 | 345 | 90 | 130 | 80 | 395 | 220 | 85 | 455 | 505 | 280 | 310 | Φ150 | Φ110 | 4-F18 | SD41-0.5 | 20 | ||
| 40-250 |
4.4 6.3 8.3 |
1.22 1.75 2.31 |
82 80 75 |
24 28 28 |
2900 | 7.5 | 2.3 | 580 | 405 | 100 | 130 | 80 | 455 | 255 | 80 | 540 | 625 | 340 | 380 | Φ150 | Φ110 | 4-F18 | SD41-0.5 | 20 | ||
| 40-250A |
4.1 5.9 7.8 |
1.14 1.64 2.17 |
72 70 65 |
24 28 27 |
2900 | 5.5 | 2.3 | 580 | 405 | 100 | 130 | 80 | 455 | 255 | 80 | 540 | 625 | 340 | 380 | Φ150 | Φ110 | 4-F18 | SD41-0.5 | 20 | ||
| 40-250B |
3.8 5.5 7.0 |
1.06 1.53 1.94 |
61.5 60 56 |
23 27 26 |
2900 | 4 | 2.3 | 535 | 405 | 100 | 130 | 80 | 455 | 255 | 80 | 540 | 570 | 340 | 380 | Φ150 | Φ110 | 4-F18 | SD41-0.5 | 20 | ||
| 40-100(I) |
8.8 12.5 16.3 |
2.44 3.47 4.53 |
13.2 12.5 11.3 |
55 62 60 |
2900 | 1.1 | 2.3 | 420 | 300 | 95 | 120 | 70 | 290 | 145 | 80 | 405 | 470 | 210 | 260 | Φ150 | Φ110 | 4-F18 | SD41-0.5 | 20 | ||
| Type | Stream Q |
effort m |
Efficiency (%) |
Synchronization Rotation speed r/min |
Electric motor Power KW |
Mandatory supply of cavitation (m) |
Installation of a vertical record | The size of the horizontal pump | The size of the flange | Vibration isolation | H1 | ||||||||||||||
| m³/h | L/S | H | L | h | B | C | H | h | a | L1 | L | L2 | B1 | D | D1 | n-d | Specification | ||||||||
| 40-100(I)A |
8 11 14.5 |
2.22 3.05 4.06 |
10.6 10 9 |
52 60 56 |
2900 | 0.75 | 2.3 | 420 | 300 | 95 | 120 | 70 | 290 | 145 | 80 | 405 | 470 | 210 | 260 | Φ150 | Φ110 | 4-F18 | SD41-0.5 | 20 | |
| 40-125(I) |
8.8 12.6 16.3 |
2.44 3.47 4.53 |
21.2 20 17.8 |
49 58 57 |
2900 | 1.5 | 2.3 | 430 | 305 | 90 | 120 | 70 | 320 | 170 | 90 | 440 | 480 | 250 | 300 | Φ150 | Φ110 | 4-F18 | SD41-0.5 | 20 | |
| 40-125(I)A |
8 11 14.5 |
2.22 3.05 4.03 |
17 16 14 |
47 57 54 |
2900 | 1.1 | 2.3 | 415 | 305 | 90 | 120 | 70 | 315 | 165 | 90 | 440 | 465 | 210 | 260 | Φ150 | Φ110 | 4-F18 | SD41-0.5 | 20 | |
| 40-160(I) |
8.8 12.5 16.3 |
2.44 3.47 4.53 |
33 32 30 |
45 52 52 |
2900 | 3.0 | 2.3 | 505 | 325 | 100 | 130 | 80 | 380 | 220 | 85 | 485 | 540 | 280 | 320 | Φ150 | Φ110 | 4-F18 | SD41-0.5 | 20 | |
| 40-160(I)A |
8.2 11.7 15.2 |
2.28 3.25 4.22 |
29 28 26 |
44 41 50 |
2900 | 2.2 | 2.3 | 465 | 325 | 100 | 130 | 80 | 380 | 220 | 85 | 455 | 495 | 280 | 310 | Φ150 | Φ110 | 4-F18 | SD41-0.5 | 20 | |
| 40-160(I)B |
7.8 10.4 13.5 |
2.38 2.89 3.75 |
23 22 20.5 |
44 49 47 |
2900 | 1.5 | 2.3 | 440 | 325 | 100 | 130 | 80 | 380 | 220 | 85 | 455 | 495 | 280 | 310 | Φ150 | Φ110 | 4-F18 | SD41-0.5 | 20 | |
| Type | Stream Q |
effort m |
Efficiency (%) |
Synchronization Rotation speed r/min |
Electric motor Power KW |
Mandatory supply of cavitation (m) |
Installation of a vertical record | The size of the horizontal pump | The size of the flange | Vibration isolation | H1 | |||||||||||||
| m³/h | L/S | H | L | h | B | C | H | h | a | L1 | L | L2 | B1 | D | D1 | n-d | Specification | |||||||
| 40-200(I) |
8.8 12.5 16.3 |
2.44 3.47 4.53 |
51.2 50 48 |
38 46 46 |
2900 | 5.5 | 2.3 | 580 | 345 | 95 | 130 | 80 | 400 | 220 | 100 | 535 | 590 | 340 | 340 | Φ150 | Φ110 | 4-F18 | SD41-0.5 | 20 |
| 40-200(I)A |
8.3 11.7 15.3 |
2.31 3.25 4.25 |
45 44 42 |
37 45 45 |
2900 | 4 | 2.3 | 530 | 345 | 95 | 130 | 80 | 400 | 220 | 100 | 490 | 580 | 300 | 340 | Φ150 | Φ110 | 4-F18 | SD41-0.5 | 20 |
| 40-200(I)B |
7.5 10.6 13.8 |
2.08 2.94 3.83 |
37 36 34 |
35 44 42 |
2900 | 3 | 2.3 | 500 | 345 | 95 | 130 | 80 | 410 | 230 | 100 | 490 | 550 | 300 | 340 | Φ150 | Φ110 | 4-F18 | SD41-0.5 | 20 |
| 40-250(I) |
8.8 12.5 16.3 |
2.44 3.47 4.53 |
81.2 80 77.5 |
31 38 40 |
2900 | 11 | 2.3 | 675 | 440 | 100 | 160 | 100 | 495 | 270 | 100 | 640 | 735 | 430 | 430 | Φ150 | Φ110 | 4-F18 | SD41-0.5 | 20 |
| 40-250(I)A |
8.2 11.6 15.2 |
2.28 3.22 4.22 |
71 70 68 |
28 38 39 |
2900 | 7.5 | 2.3 | 585 | 440 | 100 | 160 | 100 | 480 | 255 | 100 | 540 | 645 | 340 | 380 | Φ150 | Φ110 | 4-F18 | SD41-0.5 | 20 |
| 40-250(I)B |
7.6 10.8 14 |
2.11 3 3.89 |
61.4 60 58 |
28 37 37 |
2900 | 7.5 | 2.3 | 585 | 440 | 100 | 160 | 100 | 480 | 255 | 100 | 540 | 645 | 340 | 380 | Φ150 | Φ110 | 4-F18 | SD41-0.5 | 20 |
| Type | Stream Q |
effort m |
Efficiency (%) |
Synchronization Rotation speed r/min |
Electric motor Power KW |
Mandatory supply of cavitation (m) |
Installation of a vertical record | The size of the horizontal pump | The size of the flange | Vibration isolation | H1 | |||||||||||||
| m³/h | L/S | H | L | h | B | C | H | h | a | L1 | L | L2 | B1 | D | D1 | n-d | Specification | |||||||
| 40-250(I)C |
7.1 10 13.1 |
1.97 2.78 3.64 |
53.2 52 50.4 |
26 36 35 |
2900 | 5.5 | 2.3 | 585 | 440 | 100 | 160 | 100 | 480 | 255 | 100 | 540 | 645 | 340 | 380 | Φ150 | Φ110 | 4-F18 | SD41-0.5 | 20 |
| 50-100 |
8.8 12.5 16.3 |
2.44 3.47 4.53 |
13.6 12.5 11.3 |
55 62 60 |
2900 | 1.1 | 2.3 | 420 | 300 | 95 | 120 | 70 | 290 | 145 | 80 | 405 | 470 | 210 | 260 | Φ165 | Φ125 | 4-F18 | SD41-0.5 | 20 |
| 50-100A |
8 11 14.5 |
2.22 3.05 4.03 |
11 10 9 |
52 60 56 |
2900 | 0.75 | 2.3 | 420 | 300 | 95 | 120 | 70 | 290 | 145 | 80 | 405 | 470 | 210 | 260 | Φ165 | Φ125 | 4-F18 | SD41-0.5 | 20 |
| 50-125 |
8.8 12.5 16.3 |
2.44 3.47 4.53 |
21.5 20 17.8 |
49 58 57 |
2900 | 1.5 | 2.3 | 430 | 305 | 90 | 120 | 70 | 320 | 170 | 90 | 440 | 480 | 250 | 300 | Φ165 | Φ125 | 4-F18 | SD41-0.5 | 20 |
| 50-125A |
8 11 14.5 |
2.22 3.05 4.03 |
17 16 14 |
47 57 54 |
2900 | 1.1 | 2.3 | 415 | 305 | 90 | 120 | 70 | 315 | 165 | 90 | 405 | 465 | 210 | 260 | Φ165 | Φ125 | 4-F18 | SD41-0.5 | 20 |
| 50-160 |
8.8 12.5 16.3 |
2.44 3.47 4.53 |
33 32 30 |
45 52 51 |
2900 | 3 | 2.3 | 505 | 325 | 100 | 130 | 80 | 385 | 220 | 85 | 485 | 535 | 280 | 320 | Φ165 | Φ125 | 4-F18 | SD41-0.5 | 20 |
| 50-160A |
8.2 11.7 15.2 |
2.28 3.25 4.22 |
29 28 26 |
44 51 50 |
2900 | 2.2 | 2.3 | 465 | 325 | 100 | 130 | 80 | 385 | 220 | 85 | 455 | 495 | 280 | 310 | Φ165 | Φ125 | 4-F18 | SD41-0.5 | 20 |
| Type | Stream Q |
effort m |
Efficiency (%) |
Synchronization Rotation speed r/min |
Electric motor Power KW |
Mandatory supply of cavitation (m) |
Installation of a vertical record | The size of the horizontal pump | The size of the flange | Vibration isolation | H1 | |||||||||||||
| m³/h | L/S | H | L | h | B | C | H | h | a | L1 | L | L2 | B1 | D | D1 | n-d | Specification | |||||||
| 50-160B |
7.3 10.4 13.5 |
2.38 2.89 2.75 |
23 22 20.5 |
42 49 47 |
2900 | 1.5 | 2.3 | 440 | 325 | 100 | 130 | 80 | 385 | 220 | 85 | 455 | 470 | 280 | 310 | Φ165 | Φ125 | 4-F18 | SD41-0.5 | 20 |
| 50-200 |
8.8 12.5 16.3 |
2.44 3.47 4.53 |
52 45 45 |
38 46 46 |
2900 | 5.5 | 2.3 | 580 | 345 | 95 | 130 | 80 | 400 | 220 | 85 | 535 | 635 | 340 | 340 | Φ165 | Φ125 | 4-F18 | SD41-0.5 | 20 |
| 50-200A |
8.3 11.7 15.3 |
2.31 3.25 4.25 |
45.8 44 42 |
37 45 45 |
2900 | 4 | 2.3 | 530 | 345 | 95 | 130 | 80 | 400 | 220 | 85 | 490 | 580 | 300 | 340 | Φ165 | Φ125 | 4-F18 | SD41-0.5 | 20 |
| 50-200b |
7.5 10.6 13.8 |
2.08 2.94 3.83 |
37 36 34 |
35 44 42 |
2900 | 3 | 2.3 | 500 | 345 | 100 | 130 | 80 | 400 | 220 | 85 | 490 | 555 | 300 | 340 | Φ165 | Φ125 | 4-F18 | SD41-0.5 | 20 |
| 50-250 |
8.8 12.5 16.3 |
2.44 3.47 4.53 |
82 80 77.5 |
29 25 40 |
2900 | 11 | 2.3 | 685 | 445 | 110 | 160 | 100 | 495 | 270 | 100 | 640 | 735 | 430 | 430 | Φ165 | Φ125 | 4-F18 | SD41-0.5 | 20 |
| 50-250A |
8.2 11.6 15.2 |
2.28 3.22 4.22 |
71.5 70 68 |
28 38 39 |
2900 | 7.5 | 2.3 | 595 | 445 | 110 | 160 | 100 | 480 | 255 | 100 | 540 | 645 | 340 | 380 | Φ165 | Φ125 | 4-F18 | SD41-0.5 | 20 |
| Type | Stream Q |
effort m |
Efficiency (%) |
Synchronization Rotation speed r/min |
Electric motor Power KW |
Mandatory supply of cavitation (m) |
Installation of a vertical record | The size of the horizontal pump | The size of the flange | Vibration isolation | H1 | |||||||||||||
| m³/h | L/S | H | L | h | B | C | H | h | a | L1 | L | L2 | B1 | D | D1 | n-d | Specification | |||||||
| 50-250B |
7.6 10.8 14 |
2.11 3 3.89 |
61.4 60 58 |
28 37 37 |
2900 | 7.5 | 2.3 | 595 | 445 | 110 | 160 | 100 | 480 | 255 | 100 | 540 | 645 | 340 | 380 | Φ165 | Φ125 | 4-F18 | SD41-0.5 | 20 |
| 50-250C |
7.1 10 13.1 |
1.97 2.78 3.64 |
53.2 52 50.4 |
26 36 35 |
2900 | 5.5 | 2.3 | 595 | 445 | 110 | 160 | 100 | 480 | 255 | 100 | 540 | 645 | 340 | 380 | Φ165 | Φ125 | 4-F18 | SD41-0.5 | 20 |
| 50-100(I) |
17.5 25 |
4.86 6.94 |
13.7 12.5 |
67 69 |
2900 | 1.5 | 2.5 | 440 | 320 | 100 | 160 | 100 | 370 | 210 | 95 | 440 | 510 | 300 | 350 | Φ165 | Φ125 | 4-F18 | SD41-0.5 | 20 |
| 50-100(I)A |
15.6 22.3 29 |
4.3 6.19 8.1 |
11 10 8.4 |
65 67 68 |
2900 | 1.1 | 2.5 | 425 | 320 | 100 | 160 | 100 | 370 | 210 | 95 | 440 | 470 | 250 | 300 | Φ165 | Φ125 | 4-F18 | SD41-0.5 | 20 |
| 50-125(I) |
17.5 25 32.5 |
4.86 6.94 9.03 |
21.5 20 18 |
60 68 67 |
2900 | 3 | 2.5 | 480 | 345 | 105 | 160 | 100 | 365 | 220 | 105 | 455 | 555 | 280 | 310 | Φ165 | Φ125 | 4-F18 | SD41-0.5 | 20 |
| 50-125(I)A |
15.6 22.3 |
4.33 6.19 |
17 16 |
58 66 |
2900 | 2.2 | 2.5 | 480 | 345 | 105 | 160 | 100 | 365 | 220 | 105 | 455 | 515 | 280 | 310 | Φ165 | Φ125 | 4-F18 | SD41-0.5 | 20 |
| 50-160(I) |
17.5 25 32.5 |
4.86 6.94 9.03 |
34.4 32 27.5 |
54 63 60 |
2900 | 4 | 2.5 | 540 | 365 | 105 | 160 | 100 | 405 | 230 | 80 | 505 | 665 | 280 | 350 | Φ165 | Φ125 | 4-F18 | SD41-0.5 | 20 |
| Type | Stream Q |
effort m |
Efficiency (%) |
Synchronization Rotation speed r/min |
Electric motor Power KW |
Mandatory supply of cavitation (m) |
Installation of a vertical record | The size of the horizontal pump | The size of the flange | Vibration isolation | H1 | |||||||||||||
| m³/h | L/S | H | L | h | B | C | H | h | a | L1 | L | L2 | B1 | D | D1 | n-d | Specification | |||||||
| 50-160(I)A |
16.4 23.4 30.4 |
4.56 6.5 8.44 |
30 28 24 |
54 52 59 |
2900 | 4 | 2.3 | 540 | 365 | 105 | 160 | 100 | 405 | 230 | 80 | 505 | 665 | 300 | 350 | Φ165 | Φ125 | 4-F18 | SD41-0.5 | 20 |
| 50-160(I)B |
15 21.6 28 |
4.17 6 7.78 |
26 24 20.6 |
49 58 54 |
2900 | 3 | 2.3 | 510 | 365 | 105 | 160 | 100 | 405 | 230 | 85 | 505 | 640 | 300 | 350 | Φ165 | Φ125 | 4-F18 | SD41-0.5 | 20 |
| 50-200(I) |
17.5 25 32.5 |
4.86 6.94 9.03 |
52.7 50 45.5 |
49 58 59 |
2900 | 7.5 | 2.3 | 595 | 390 | 105 | 160 | 100 | 405 | 220 | 100 | 535 | 640 | 340 | 340 | Φ165 | Φ125 | 4-F18 | SD41-0.5 | 20 |
| 50-200(I)A |
16.4 23.5 30.5 |
4.56 6.53 8.47 |
46.4 44 40 |
48 57 58 |
2900 | 7.5 | 2.3 | 595 | 390 | 105 | 160 | 100 | 405 | 220 | 100 | 535 | 640 | 340 | 340 | Φ165 | Φ125 | 4-F18 | SD41-0.5 | 20 |
| 50-200(I)B |
15.2 21.8 28.3 |
4.22 6.06 7.86 |
40 38 34.5 |
45 55 55 |
2900 | 5.5 | 2.3 | 595 | 390 | 105 | 160 | 100 | 405 | 220 | 100 | 535 | 640 | 340 | 340 | Φ165 | Φ125 | 4-F18 | SD41-0.5 | 20 |
| 50-250(I) |
17.5 25 32.5 |
4.86 6.94 9.03 |
82 80 76.5 |
39 50 52 |
2900 | 15 | 2.3 | 695 | 485 | 120 | 180 | 120 | 515 | 270 | 105 | 695 | 740 | 430 | 440 | Φ165 | Φ125 | 4-F18 | SD41-0.5 | 20 |
| 50-250(I)A |
16.4 23.4 30.5 |
4.56 6.5 8.47 |
71.5 70 67 |
39 50 52 |
2900 | 11 | 2.3 | 695 | 485 | 120 | 180 | 120 | 515 | 270 | 105 | 695 | 740 | 430 | 440 | Φ165 | Φ125 | 4-F18 | SD41-0.5 | 20 |
| Type | Stream Q |
effort m |
Efficiency (%) |
Synchronization Rotation speed r/min |
Electric motor Power KW |
Mandatory supply of cavitation (m) |
Installation of a vertical record | The size of the horizontal pump | The size of the flange | Vibration isolation | H1 | |||||||||||||
| m³/h | L/S | H | L | h | B | C | H | h | a | L1 | L | L2 | B1 | D | D1 | n-d | Specification | |||||||
| 50-250(I)B |
15 21.6 28 |
4.17 6 7.78 |
61 60 57.4 |
38 49 54 |
2900 | 11 | 2.3 | 695 | 485 | 120 | 180 | 120 | 515 | 270 | 105 | 695 | 740 | 430 | 440 | Φ165 | Φ125 | 4-F18 | SD41-0.5 | 20 |
| 50-315(I) |
17.5 25 32.5 |
4.86 6.94 9.03 |
128 125 122 |
30 40 44 |
2900 | 30 | 2.5 | 865 | 550 | 130 | 180 | 120 | 565 | 290 | 130 | 740 | 930 | 405 | 460 | Φ165 | Φ125 | 4-F18 | SD41-0.5 | 20 |
| 50-315(I)A |
16.6 23.7 31 |
4.61 6.58 8.6 |
115 113 110 |
30 40 44 |
2900 | 22 | 2.5 | 785 | 550 | 130 | 180 | 120 | 565 | 290 | 130 | 740 | 850 | 405 | 460 | Φ165 | Φ125 | 4-F18 | SD41-0.5 | 20 |
| 50-315(I)B |
15.7 22.5 29.2 |
4.36 6.25 8 |
103 101 98 |
30 39 42 |
2900 | 18.5 | 2.5 | 785 | 550 | 130 | 180 | 120 | 565 | 290 | 130 | 740 | 850 | 405 | 460 | Φ165 | Φ125 | 4-F18 | SD41-0.5 | 20 |
| 50-315(I)C |
14.4 20.6 26.8 |
4 5.72 7.44 |
86 85 83 |
38 46 40 |
2900 | 15 | 2.5 | 705 | 550 | 130 | 180 | 120 | 565 | 290 | 130 | 740 | 770 | 405 | 460 | Φ165 | Φ125 | 4-F18 | SD41-0.5 | 20 |
| 65-100 |
17.5 25 32.5 |
4.86 6.94 9.03 |
13.7 12.5 10.5 |
67 69 69 |
2900 | 1.5 | 2.5 | 495 | 325 | 95 | 160 | 100 | 380 | 220 | 95 | 455 | 510 | 280 | 310 | Φ165 | Φ125 | 4-F18 | SD41-0.5 | 20 |